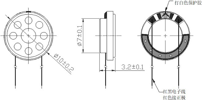
Φ10MM耳机喇叭
此产品主要适用各类入耳式耳机喇叭,体积小,声音均衡,解析度高。


  • 产品料号:HG-R10032-005A25
  • 中心胶:中心胶888加红色素
  • 定点胶:红色UV胶R-21
  • 划引线胶:白油G-424F
  • 护盖与盆架固定胶:H-318胶水加蓝色素
产品概述
产品参数
相关下载




▲ 此产品采用铁盆支架 + 护盖设计。

项次

规格

状态

尺寸

Φ10.0*3.2

-

额定功率

2mW

0.25V

最大输出功率

5mW

0.4V

阻抗

32Ω±15%

-

输出音压

112±2dB

At 200Hz 179mV

有效频宽

20Hz~2KHz

-

净重

0.7±0.1g

-

操作温度

-25℃~+60℃

-

环保法规

RoHS 2.0、REACH、HF

-


频响曲线
失真曲线
立即联系宏歌电子专家团队,为您定制解决方案